Zum Hauptinhalt springen Zur Suche springen Zur Hauptnavigation springen

Druckluftkessel 90 L liegend - 11 bar verzinkt OHNE Konsole OHNE Anbausa

Produktinformationen "Druckluftkessel 90 L liegend - 11 bar verzinkt OHNE Konsole OHNE Anbausa"

  • Liegend, ohne Räder
  • Optional: Räder Kit 9420329-PS



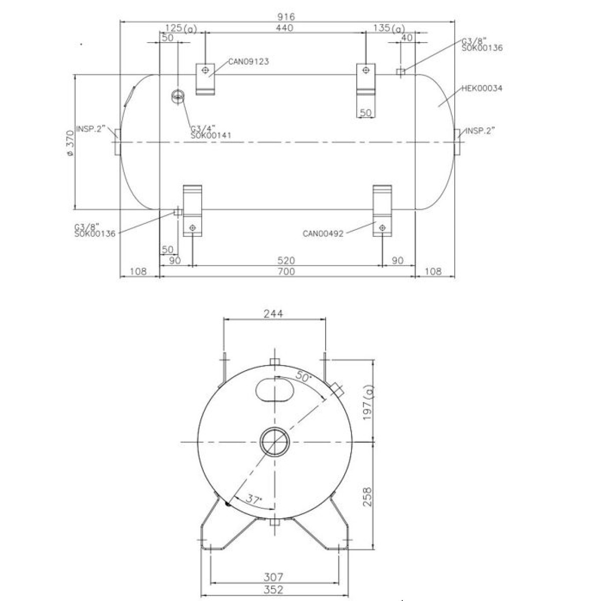
Technische Daten:

Behälterinhalt90l
Höchstdruck11bar
TypLiegend
Mobil / StationärStationär
Behälter Oberflächeverzinkt
Länge (Produkt) ca.920mm
Breite/Tiefe (Produkt) ca.370mm
Höhe (Produkt) ca.440mm
Gewicht (Netto) ca.39kg


Hersteller
pro)SALES GmbH, AEROTEC Kompressoren
Ferdinand-Porsche-Str. 16, 63500 Seligenstadt, Deutschland
info@aerotec.info